
訂貨型號
ZN-NC-P3200WD-A
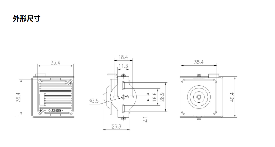
產品介紹
ZN-NC-P3200WD-A系列IPC采用1/2.8"逐行掃描CMOS傳感器,通過先進的H.265/H.264視頻壓縮算法,基于IP網絡傳輸,最大輸出分辨率為1080P。本產品屬于針孔型網絡攝像機,外觀小巧,隱蔽性好。
應用場景
適用于銀行ATM機、電梯間、公交車等要求高清畫質并需求具備一定隱蔽性的場所。
產品特性
l 采用1/2.8"逐行掃描CMOS傳感器;
l 采用先進的H.265視頻編碼算法,壓縮比高,實現低帶寬高畫質;
l 最大輸出分辨率1920*1080@25fps/30fps;
l 支持2D/3D降噪,支持透霧功能;
l 支持真實寬動態,寬動態范圍120dB;
l 支持人臉檢測、周界入侵、物品遺留/盜移、跨越圍欄、逆行檢測、徘徊檢測、密度檢測、數量統計等高級智能化功能;
l 支持三種視頻診斷功能:圖像偏色檢測、圖像虛焦檢測、攝像機移位檢測;
l 支持走廊模式、感興趣區域(ROI);
l 支持數字水印加密,防止數據被篡改;
l 支持三碼流傳輸,支持手機直連監控,支持私網穿透;
l 支持Onvif/CGI/GB28181;
l 支持移動偵測,網絡異常,遮擋報警等智能報警;。